Một quy trình điển hình

THUYẾT MINH QUY TRÌNH
1. Trích ly
Nguyên liệu sau khi định lượng theo mẻ được trích ly bằng nước nóng trước khi qua công đoạn lọc và ly tâm. Nhằm trích ly hoàn toàn các chất hòa tan có trong nguyên liệu thô dể thu được vị và hương thơm cho sản phẩm. đây là công đoạn rất quan trọng vì nó ảnh hưởng tới chất lượng sản phẩm. Việc trích ly không đạt sẽ ảnh hưởng tới vị cũng như độ màu của sản phẩm.
Cách tiến hành: cấp nước nóng vào tank theo thể tích quy định sau đó cho rọ chứa trà vào tank nước nóng và ngâm trong nước nóng để thực hiện quá trình trích ly: Nhấn chìm trà trong nước nóng;Thực hiện trích ly đúng thời gian quy định..
Các thông số kiểm soát trong sau giai đoạn trích ly:
- Nhiệt độ nước nóng:…
- PH:…
- Thời gian trích ly:…phút

2.Lọc – Làm lạnh – Ly tâm
Sơ đồ: Dịch trích ly → Sàng rung → Lọc thô → Lọc tinh → Làm lạnh → Tank trước ly tâm → Tank sau ly tâm → Tank Blend.
Giải thích:
Sàng rung để loại bỏ các tạp chất có kích thước lớn hỗ trợ cho quá trình lọc
- Lọc túi loại bỏ các tạp chất có kích thước trung bình
- Làm lạnh để tạo kết tủa tạp chất giúp cho quá trình ly tâm được hiệu quả
- Quá trình ly tâm nhằm loại bỏ các chất cao phân tử, tạo vi thanh ngon cho sản phẩm.
Dịch trà sau khi được trích ly sẽ được bơm lần lượt qua túi lọc thô có kích thước 28 µm và lọc tinh có kích thước 10µm, sau đó sẽ được làm lạnh bằng hệ thống alpha laval 2 cấp.
- Cấp 1: Chất tải lạnh là nước công nghệ sẽ đi ngược chiều với dịch trà và làm giảm nhiệt độ của dịch trà từ 88 -920C xuống khoảng 400C.
- Cấp 2:Chất tải lạnh được sử dụng là Glycol (<20C) cũng sẽ đi ngược chiều với dịch trà và làm giảm nhiệt độ xuống khoảng 6 - 90C.

3.Hoà tan đường – Lọc – Làm lạnh
Quy trình:
Mục đích hoà tan đường trong công đoạn này là chuẩn bị cho quá trình trộn tại Blending Tank nhằm đảm bảo rằng đường hoà tan hoàn trong Tank Blend và tạo vị ngọt đặc trưng cho sản phẩm.Quá trình Lọc để loại bỏ các tạp chấtLàm lạnh nhằm làm hạ nhiệt độ phối trộn xuống.
Đường sử dụng trong công nghệ sản xuất trà chanh bao gồm Đường RE …kg và Đường fructose và sau đó lấy thể tích nước nóng (88 - 900C), tiến hành cho đường RE vào Tank nước nóng hoà tan trước sau đó bổ sung đường fructose sau, dịch đường sau khi nấu xong sẽ được bơm qua thiết bị lọc tinh có kích thước 10µm và được làm lạnh bằng hệ thống alpha laval với chất tải lạnh là glycol, sau đó dùng nước nóng đuổi hết dịch syrup còn lại trong đường ống từ Tank đường qua giải nhiệt tới Tank syrup và cuối cùng bơm hết toàn bộ dịch syrup từ Tank syrup qua Tank Blend.

4.Hoà tan phụ gia
Quy trình:
Tiếp nhận phụ gia, màu → hoà tan phụ gia, màu → Bơm qua Tank Blend.
Mục đích của công đoạn này là chuẩn bị cho quá trình phối trộn tại Tank Blend nhằm đảmbảo rằng các phụ gia này được hoà tan hoàn toan trong Tank Blend và góp phần hình thành mùi, vị của sản phẩm.
Yêu cầu:
Tiến hành cấp nước nóng vào Tank phụ gia theo thể tích quy định và cho đủ các nguyên liệu phụ gia theo thứ tự phụ thuộc vào đặc tính và tính của mỗi loại phụ gia, thông thường thì hoà tan các loại phụ gia trước sau đó mới bổ sung các loại hương sau. Sau khi hoà tan xong tiến hành đuổi nước đường ống và phải đảm bảo đuổi sạch hết dung dịch phụ gia, màu trong đường ống về Tank trộn.
Phối trộn Mục đích của phối trộn là trộn đều các thành phần, tạo ra hương vị cho sản phẩm, giúp đồng nhất sản phẩm.
Tiến hành bơm toàn bộ syrup từ Tank syrup, phụ gia, và dịch trà sau ly tâm sang Tank Blend, sau đó dùng nước công nghệ để lấy thể tích Tank Blend theo thể tích quy định là…lít trong khoảng thời gian 10 -15 phút và cánh khuấy đang hoạt động.
Sau khi trộn xong dịch trà sẽ được bơm qua túi lọc tinh có kích thước 10µm trước khi đến Tank đệm UHT.
Các thông số kiểm soát
-
- PH…
- Brix…
- EBC…
- Độ chua…
- Độ đục…
- Cảm quan: tính chất đặc trưng của sản phẩm
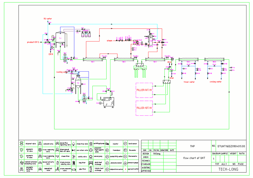
5.Tiệt trùng
Tiệt trùng là quá trình tiêu diệt toàn bộ vi sinh vật (ở dạng bào tử hay ở dạng sinh dưỡng) và ức chế không thuận nghịch các enzyme có trong trà , sau quá trình tiệt trùng sản phẩm sẽ trở nên vô trùng, như vậy quá trình tiệt trùng không những đảm bảo cho trà bán thành phẩm an toàn về mặt vi sinh mà còn kéo dài thời gian bảo quản Trà, giúp ổn định các chỉ tiêu chất lượng của trà trong một khoảng thời gian dài sau sản xuất.
Quá trình tiệt trùng thường gồm 3 giai đoạn :
Giai đoạn 1: Gia nhiệt trà bán thành phẩm từ nhiệt độ ban đầu đến nhiệt độ tiệt trùng 1380C
Giai đoạn 2: Giữ mẫu trà ở nhiệt độ tiệt trùng trong khoảng thời gian đã chọn là 30s (đây là thời gian tiệt trùng)
Giai đoạn 3: Làm nguội dịch trà từ nhiệt độ tiệt trùng về nhiệt độ thích hợp 880C cho quá trình chiết tiếp theo.
Sơ đồ mô phỏng quá trình tiệt trùng

Dịch trà từ Tank trộn được bơm qua Tank đệm UHT sẽ được gia nhiệt lần 1 lên 60 – 700C nhờ nước nóng rồi bơm qua thiết bị bài khí nhằm loại bỏ các khí và mùi không mong muốn gây ảnh hưởng đến sản phẩm, tiếp theo dịch trà sẽ được gia nhiệt lần 2 đến nhiệt độ tiệt trùng 138±50C và giữ ở nhiệt độ này trong 30s nhờ vào hệ thống ống lồng ống, đây chính là thời gian tiệt trùng nhằm ức chế và tiêu diệt hoàn toàn các vi sinh vật và enzyme có trong dịch trà.
Dịch trà sẽ được hạ nhiệt đến nhiệt độ chiết 88±20C nhờ tác nhân nước Cooling tower nhằm ổn định các đặc tính mùi, vị của dịch trà sau đó đi vào máy chiết thực hiện chiết chai.
Khi ngưng chiết, nhiệt độ chiết không đạt hay load chiết đầy phẩm thì sẽ phát tín hiệu phẩm sẽ được bơm về Tank hồi, từ Tank hồi sẽ được máy bơm bơm về Tank đệm sau khi qua 2 lần giải nhiệt bằng cooling tower đưa nhiệt độ về khoảng 400C và thực hiện lại chu trình.

6.Rửa tráng chai và nắp
Chai và Nắp được khử trùng bằng dung dịch chlorine trước. Chai, nắp sau khi được khử trùng bằng chlorine sẽ được tráng bằng nước vô trùng trước khi đưa vào máy chiết nhằm để đảm bảo chất lượng sản phẩm.
Gió được qua lọc 0.2µm để vô trùng trước khi thổi nắp vào đóng chai.
Lưu ý:
Trước khi cấp chai và nắp phải chuẩn bị hoá chất (chlorine), thường ở dạng bột hoà tan vào bồn chứa nước tạo thành dung dịch chlorine và phải luôn đạt nồng độ từ …ppm (past per millions).
Các bơm định lượng chlorine chai và nắp luôn được hoạt động và áp bơm luôn đạt đối với chai là …kg/cm3.
Hệ thống bơm nước vô trùng phải luôn hoạt động tốt, áp bơm luôn ổn định.
Sơ đồ trang rửa chai & nắp

7.Chiết chai & đóng nắp
Mục đích : Quá trình chiết và đóng nắp nhằm hoàn thiện sản phẩm, ổn định đặc tính và kéo dài thời gian bảo quản. Ngoài ra quá trình chiết nóng (hotfill) còn ức chế phần lớn các vi sinh vật nhiễm vào trong quá trình chiết.
Hệ thống máy chiết bao gồm:Rinser, Filler, Cap batch
Rinser: Hệ thống khử trùng chai và nắp cấp vào trước khi thực hiện chiết chai và đóng nắp.
Đối với chai, sau khi được thổi vào từ máy thổi sẽ được các cam dẫn, sao chuyển chai (starwheel) dẫn vào rinser thực hiện quá trình khử trùng.
Chai sẽ được khử trùng lần lượt qua 2 giai đoạn. Giai đoạn đầu chai sẽ được phun rửa bằng dung dịch chlorine nồng độ…ppm sau đó sẽ rửa sạch bằng nước vô trùng qua hệ thống lọc tinh có kích thước 0.2µm và 0.45µm.Tổng thời gian rửa chai từ khi vào rinser tới khi thoát chai là …giây theo sơ đồ
Cấp chai/load bottles → Phun chlorine …giây → drain (thoát) …giây (chất khử trùng) → rửa bằng nước …giây (water) → Drain /thoát …giây (nước) → Discharge/xả chai.
Đối với nắp: Nắp sẽ được băng tải cấp theo một đường ray từ bồn cấp nắp vào các khe của hệ thống rinser nắp, đầu tiên nắp sẽ được phun rửa bằng dung dịch chlorine nồng độ … ppm từ các vòi phun được gắn trên các khe của đường ray, sau đó nắp sẽ được làm sạch bằng nước công nghệ cũng bằng từ những vòi phun, nước này sẽ được hồi về bồn chứa dung dịch chlorine, cuối cùng nắp sẽ được phun khô bằng hệ thống gió và cấp vào máy chiết.
Filler: bao gồm vòi chiết và load chiết chứa phẩm.
Load chiết nơi nhận phẩm cấp vào từ Tank đệm UHT, trên load chiết có gắn đầu dò thể tích và nhiệt độ, đầu dò này sẽ phát tín hiệu và phẩm sẽ được hồi về Tank đệm UHT khi đủ thể tích và nhiệt độ chiết cấp vào không đạt.
Vòi chiết gồm một khe hở nhỏ và ty chiết.
Khi chai được cấp vào vòi chiết, thì các cam dẫn sẽ nâng chai lên mức tương ứng sẽ đẩy vòi chiết làm cho phầm cấp vào chai qua khe hở nhỏ trên vòi chiết, trong quá trình chiết chai thì vòi chiết nhờ các ty nhỏ thực hiện việc hút chân không. Các ty chiết này đóng vai trò quan trọng trong quá trình chiết, ngoài việc hút các phẩm dư ra ngoài về Tank hồi đảm bảo cho chai luôn đúng thể tích mặt khác chúng còn hút các khí dư, có hại đảm bảo cho quá trình chiết được hoàn thiện nhất.

8.Đảo chai
Sau khi đóng nắp, chai được chuyển qua biến tần, đảo ngược là một phần rất quan trọng của quy trình chiết nóng. Ở đây sử dụng băng tải chuyển động úp ngược chai xuống, giữ vị trí này trong một thời gian theo MMI để nhiệt của sản phẩm có thể tiệt trùng cổ chai và nắp , tiếp đó chai được băng tải chuyển qua mặt trái và phải sau đó qua đường hầm làm mát
Ảnh hưởng của đảo chai không đúng
Nếu chai chứa không được đảo ngược hoặc đảo ngược không đủ thời gian, nắp và cổ chai tương đối mát mẻ. Nhiệt độ thấp sẽ không tiêu diệt được vi sinh vật, cả những vật không chịu nhiệt, việc giữ thời gian và nhiệt độ không đúng sẽ hỗ trợ vi sinh vật phát triển trong chai.

9.Làm nguội bằng hầm giải nhiệt
Quá trình chiết nóng hoàn thiện phải kín, giữ sản phẩm bên trong và ngăn cản vi sinh bên ngoài sâm nhập
Sản phẩm đi qua hầm làm mát nơi mà chân không được tạo ra bởi các biến đổi nhiệt khi chai chứa đi qua đường hầm
Hạ nhiệt độ sản phẩm sau chiết xuống nhiệt độ thích hợp chuẩn bị cho công đoạn tròng nhãn.
Chai sau khi ra khỏi máy chiết sẽ được hệ thống băng tải chai cấp vào Warmer giải nhiệt, cấu tạo của warmer gồm 5 hầm giải nhiệt và hoạt động giải nhiệt chai nhờ tác nhân nước cooling tower cấp vào các pec phun.
Cấu tạo hầm giải nhiệt làm mát
- Mỗi một đường hầm làm mát thông thường có 5-6 khu vực
- Mỗi khu vực phun nước để giảm nhiệt độ xuống từ từ
- Dãy nhiệt độ thay đổi dựa vào quy cách đóng gói và loại sản phẩm
- Sản phẩm đi qua mỗi vùng và bắt đầu làm mát nó tạo ra chân không và tạo ra vùng không khí kín
Nước dùng cho hầm giải nhiệt
- Nước sử dụng trong hầm làm mát phải là nước mềm và đã xử lý với hóa chất, thường dùng Clorine để đảm bảo nó không nhiễm vi sinh
- Nồng độ Clo 1-3ppm
- Nhiệt độ của chai chứa ra khỏi hầm làm mát phải nằm trong yêu cầu kỹ thuật trước khi chuyển qua dán nhãn và lưu kho
Nhiệt độ trong hầm giải nhiệt
- Phạm vi nhiệt độ trong mỗi vùng của hầm làm mát thay đổi phụ thuộc vào vật liệu đóng gói, như PET, hoặc chai thủy tinh, túi như ở trên hình.

10.Tròng nhãn, In date
Mục đích hoàn thiện sản phẩm, tăng giá trị cảm quan.
Chai sẽ tròng nhãn và in date theo đúng quy cách quy định,nhãn phải đúng kích thước chai pet, không bị lệch, Nhãn In rõ tên sản phẩm, thành phần dinh dưỡng, ngày, giờ sản xuất, cty sản xuất…..

11.Đóng thùng, in date thùng
Mục đích: bảo quản và vận chuyển sản phẩm.
